DC-DCコンバータ設計 電源設計時の着眼点 その2
みなさん、こんにちは。システム設計課の井上です。
前回のブログでは初心者が「DC-DCコンバータ」の回路を設計する際の着眼点についてお話ししました。
今回は前回予告しましたとおり、パターン設計時の着眼点についてご紹介したいと思います。
パターン設計とは、プリント基板上に部品を配置して、部品どうしを配線する作業です。
電源のパターン設計を適切に行わないと、電源から発生するノイズが大きくなります。これにより、出力電圧が変動したり、周辺回路が誤動作したりと周囲に悪影響を及ぼします。
それではパターン設計時の着眼点について、図1の回路例をもとにお話しします。

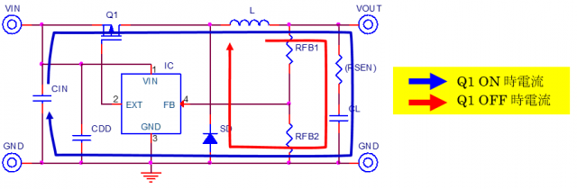
図1 降圧コンバータの回路例
この回路は電圧を下げる降圧コンバータの一例です。まず、回路動作について簡単に説明します。
MOSFET(Q1)がONするとコイル(L)に電流が流れ、出力コンデンサ(CL)に電荷が蓄積されます。それと同時にコイルにもエネルギーが蓄積されます。
次にMOSFETがOFFするとコイルに逆起電力が発生し、コイル左側の電圧が低下し、ダイオード(SD)を介して電流が流れ続けます。図2にON時(青)とOFF時(赤)の電流の流れを示します。

図2 降圧コンバータ回路の電流の流れ
次にMOSFETがOFFからONに転じるタイミングでダイオード(SD)に流れる電流を考えます。
MOSFETがOFFしている時、ダイオードには順方向の電流が流れています。ここでMOSFETがONに転じると、ダイオードには逆方向の電圧が印加されます。この時、ダイオードには逆回復特性があるため、逆回復時間(trr)に貫通電流が流れます。図3に貫通電流(緑)の流れを示します。

図3 貫通電流の流れ
この貫通電流には、電流変化率dI/dtが大きいという特徴があります。
前置きが長くなりましたが、ここでパターンの話に戻ります。パターンは銅箔でできていますが、導体は寄生インダクタンス(L)を持っています。この寄生インダクタンスに電流変化が起こると、サージ電圧(VL=L×di/dt)が発生し、これがノイズとなって周辺機器に悪影響を及ぼすのです。
それでは、どのような点に注意すればこのノイズを最小化できるかについて述べます。
1つ目は、貫通電流が流れるパターンを最短かつ最太にすることです。そのためには、電源ICを中心にして、CIN, Q1, SDを極力ICの近くに配置することが重要です。
2つ目は、同パターンを直角に曲げないことです。直角にすると、電流の流れが妨げられ、反射ノイズの原因となります。直角部分を円弧や面取りすることで対策が可能です。
3つ目は、同パターンにビアを設けないことです。ビアとは、基板の層と層を繋ぐスルーホールですが、これも電流経路を直角に曲げる働きをするので、反射ノイズの原因となります。
今回のお話はここまでとさせていただきます。次の機会にはDC-DCコンバータの部品選定時の着眼点についてご紹介したいと思います。
【関連リンク】
【サイト内検索】
WTIメールマガジンの配信(無料)
WTIエンジニアが携わる技術内容や日々の業務に関わる情報などを毎週お届けしているブログ記事は、メールマガジンでも購読できます。ブログのサンプル記事はこちら
WTIメールマガジンの登録・メールアドレス変更・配信停止はこちら
